Stecker Steuergerät Aktivspoiler - Teilenummer

Benutzeravatar
Ijsbrand
JZA80 Boardveteran
JZA80 Boardveteran
Beiträge: 1021
Registriert: 24.11.2016, 06:39
Hat sich bedankt: 0
Danksagung erhalten: 0
Kontaktdaten:

Stecker Steuergerät Aktivspoiler - Teilenummer

Beitrag von Ijsbrand »

Alonso hat geschrieben: 07.01.2019, 16:59 Der Stecker vom Spoiler-Switch ist aber eigentlich 90980-10799. Zumindest passt dieser perfekt.
Jau, Hast recht! Danke :D
Stecker Schalter.png
Stecker Schalter.png (4.64 KiB) 8913 mal betrachtet
94`J-spec, NA, MT
Benutzeravatar
Ijsbrand
JZA80 Boardveteran
JZA80 Boardveteran
Beiträge: 1021
Registriert: 24.11.2016, 06:39
Hat sich bedankt: 0
Danksagung erhalten: 0
Kontaktdaten:

Stecker Steuergerät Aktivspoiler - Teilenummer

Beitrag von Ijsbrand »

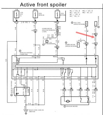
Da ich keinen passenderen Thread auf Anhieb weiß, stell ich die Frage mal hier.

Vom Steuergerät für den Spoiler geht eine Leitung zum Generator:
Alternator.jpg

Warum?
Ich könnte mir ne "Zündung an?"-Abfrage vorstellen,
aber kommt von den entsprechenden Sicherungen nicht ein Zündplus?
Von Schaltplänen hab ich leider nicht soo die Ahnung :Pardon:

Wäre super, wenn mich da wer erleuchten könnte :D

Cheers
94`J-spec, NA, MT
Benutzeravatar
Janto
JZA80 Neuling
JZA80 Neuling
Beiträge: 129
Registriert: 16.02.2017, 19:38
Hat sich bedankt: 0
Danksagung erhalten: 0

Re: Stecker Steuergerät Aktivspoiler - Teilenummer

Beitrag von Janto »

Wenn der im Stand ausgefahren ist, fährt der ein sobald der Motor läuft
Benutzeravatar
Ijsbrand
JZA80 Boardveteran
JZA80 Boardveteran
Beiträge: 1021
Registriert: 24.11.2016, 06:39
Hat sich bedankt: 0
Danksagung erhalten: 0
Kontaktdaten:

Stecker Steuergerät Aktivspoiler - Teilenummer

Beitrag von Ijsbrand »

Janto hat geschrieben: 23.01.2019, 17:05 Wenn der im Stand ausgefahren ist, fährt der ein sobald der Motor läuft Bild

Okay, das heißt wenn ich den nicht anschließe bleibt der Spoiler einfach draußen wenn ich starte?
94`J-spec, NA, MT
Benutzeravatar
Alonso
JZA80 Neuling
JZA80 Neuling
Beiträge: 138
Registriert: 14.02.2017, 13:06
Hat sich bedankt: 2 Mal
Danksagung erhalten: 1 Mal
Kontaktdaten:

Stecker Steuergerät Aktivspoiler - Teilenummer

Beitrag von Alonso »

Ijsbrand hat geschrieben: 23.01.2019, 17:43 Okay, das heißt wenn ich den nicht anschließe bleibt der Spoiler einfach draußen wenn ich starte?

Das dürfte so sein, allerdings kriegst du dann vermutlich umgehend einen Fehlercode sobald du losfährst und ein Speedsignal erscheint. Wäre aber sicher ein guter Test :)
Benutzeravatar
Ijsbrand
JZA80 Boardveteran
JZA80 Boardveteran
Beiträge: 1021
Registriert: 24.11.2016, 06:39
Hat sich bedankt: 0
Danksagung erhalten: 0
Kontaktdaten:

Re: Stecker Steuergerät Aktivspoiler - Teilenummer

Beitrag von Ijsbrand »

Alonso hat geschrieben:
Ijsbrand hat geschrieben: 23.01.2019, 17:43 Okay, das heißt wenn ich den nicht anschließe bleibt der Spoiler einfach draußen wenn ich starte?

Das dürfte so sein, allerdings kriegst du dann vermutlich umgehend einen Fehlercode sobald du losfährst und ein Speedsignal erscheint. Wäre aber sicher ein guter Test :)
Hmmm, wäre nicht so Bombe, zumal ich deine "smart Mod" machen werdeBild
94`J-spec, NA, MT
Benutzeravatar
Alonso
JZA80 Neuling
JZA80 Neuling
Beiträge: 138
Registriert: 14.02.2017, 13:06
Hat sich bedankt: 2 Mal
Danksagung erhalten: 1 Mal
Kontaktdaten:

Stecker Steuergerät Aktivspoiler - Teilenummer

Beitrag von Alonso »

Ijsbrand hat geschrieben: 23.01.2019, 22:12 Hmmm, wäre nicht so Bombe, zumal ich deine "smart Mod" machen werdeBild

Der wird übrigens diesen Winter noch überarbeitet sofern genug Zeit bleibt. Werde das mit einem kleinen Arduino neu bauen, der auch die Schalter anzapft. Damit sollte dann folgendes möglich sein:
  • Manueller Modus wie die alte Lösung
  • OEM Modus
  • OEM Modus mit eigenem Schaltpunkt (z.B. unter 10km/h eingezogen) :D
Antworten