HKS SLD T6 und Automatik-Supras (NA und TT)
- Japanfanatic
- JZA80 allwissendes Orakel

- Beiträge: 2694
- Registriert: 12.10.2016, 18:49
- Hat sich bedankt: 17 Mal
- Danksagung erhalten: 59 Mal
- Kontaktdaten:
HKS SLD T6 und Automatik-Supras (NA und TT)
Operation
SLD T6. If your car has TRC (SLIP) fitted it will not operate over 155 km/h. If you are over
155 km/h the dashboard lights TRC OFF and SLIP CONT OFF will be lit. Less than 150
km/h the slip control is in normal mode so the TRC OFF and SLIP CONT OFF lamps will
be off. If slip control system is off the TRC OFF and SLIP CONT OFF lights will continue to
be illuminated.
Warning
(1) You must be in high gear at speeds over180 km/h. If you have SLD T6 you must be
in OD. You must not remove the OD.
(2) If you are driving quickly and you shift down you can possibly get engine braking
(3) Please donít drive for long periods at
speed in excess of 180km/h for reasons of
transmission overheating
(4) If you are doing in excess of 180 km/h and you suddenly shift to neutral, you may
get engine braking.
Bedeutet: Der SLD T6 deaktiviert bei über 155kmh das TRC-System. Hintergrund ist folgender:
Das A340E arbeitet mit der TRC-ECU zusammen. Bei jedem Schaltvorgang schließt die TRC-Drosselklappe,um die Last vom Getriebe und Wandler zu nehmen.
Die 180kmh-Sperre setzt ein, sobald das SPD-Signal an der ECU 180kmh erkennt. Deswegen friert der HKS SLD das Geschwindigkeitssignal oberhalb 155kmh auf genau diesen Wert ein. So wird die Funktion "Speed Cut" in der ECU verhindert. Das hat erstmal rein gar nichts mit der TRAC-ECU zu tun.
Das Problem ist jetzt jedoch folgendes: Erkennt die TRAC-ECU einen Geschwindigkeitsunterschied zwischen dem SPD-Signal vom Getriebe und den einzelnen Raddrehzahlsensoren, wirft es einen Fehler aus (unplausibel). Wirft die TRAC-ECU einen Fehler aus, geht die Motor-ECU und das Getriebe somit sofort in den Notlauf.
Deswegen deaktiviert der HKS SLD T6 ab 155kmh die Traktionskontrolle über den Eingang SW (SLIP CONT OFF Schalter im Armaturenbrett).
Also kannst du die Funktion des HKS SLD schon allein darüber testen, ob bei dir bei über 155kmh die SLIP CONT OFF Lampe anfängt zu leuchten. Tut sie das nicht, funktioniert der SLD nicht vernünftig und ist, richtige Verkabelung vorausgesetzt, defekt.
Leider wird der T6 nicht mehr hergestellt!
Bj. 12/2000 Supra RZ - Japanische Ausführung
1B9 - Quicksilver FX - Silver Metallic Graphite
Public Relations e.V.
1B9 - Quicksilver FX - Silver Metallic Graphite
Public Relations e.V.
- Japanfanatic
- JZA80 allwissendes Orakel

- Beiträge: 2694
- Registriert: 12.10.2016, 18:49
- Hat sich bedankt: 17 Mal
- Danksagung erhalten: 59 Mal
- Kontaktdaten:
Re: HKS SLD T6 und Automatik-Supras (NA und TT)
Zusatzinfo: Ich habe mich endlich mal mit dem Unterschied zwischen J-Spec und EU/US-Spec beschäftigt.
Die Krux an der Geschichte ist folgende: Das Steuergerät der J-Spec Traktionskontrolle ("ETCS") ist ein anderes, als bei der EU/US-Spec ("TRAC").
Liegt daran, dass die EU/US-Spec ja die TRAC-Pumpe hat. Somit sind die Stecker der Traktionskontrollsteuergeräte unterschiedlich.
Man muss die richtigen Pins finden. Wenn ich mal etwas Zeit habe, erstelle ich mal einen richtigen Schaltplan für die EU/US-Spec in Verbindung mit dem HKS SLD T6.
Nur leider wird dieser halt nicht mehr hergestellt
Die Krux an der Geschichte ist folgende: Das Steuergerät der J-Spec Traktionskontrolle ("ETCS") ist ein anderes, als bei der EU/US-Spec ("TRAC").
Liegt daran, dass die EU/US-Spec ja die TRAC-Pumpe hat. Somit sind die Stecker der Traktionskontrollsteuergeräte unterschiedlich.
Man muss die richtigen Pins finden. Wenn ich mal etwas Zeit habe, erstelle ich mal einen richtigen Schaltplan für die EU/US-Spec in Verbindung mit dem HKS SLD T6.
Nur leider wird dieser halt nicht mehr hergestellt
Bj. 12/2000 Supra RZ - Japanische Ausführung
1B9 - Quicksilver FX - Silver Metallic Graphite
Public Relations e.V.
1B9 - Quicksilver FX - Silver Metallic Graphite
Public Relations e.V.
- Japanfanatic
- JZA80 allwissendes Orakel

- Beiträge: 2694
- Registriert: 12.10.2016, 18:49
- Hat sich bedankt: 17 Mal
- Danksagung erhalten: 59 Mal
- Kontaktdaten:
HKS SLD T6 und Automatik-Supras (NA und TT)
So, jetzt habe ich etwas Zeit. Im folgenden aus dem übersetzten Manual für den HKS SLD T6 die Schaltpläne:
Gemäß dieser Tabelle wird der richtige Schaltplan gewählt: Also A-ECU für Supra TT, B-ECU für Supra NA, A-ETCS für Supra Pre-Facelift, B-ETCS für Supra Facelift (mit Snow-Mode)
Das ist die Verkabelung am Motorsteuergerät für die Turbo. Hier sieht man schon, dass nicht nur das SPD-Signal unterbrochen wird, sondern auch das Signal zum Automatikgetriebesolenoid Nr.2.
Gleiches Bild bei der Non-Turbo, nur dass hier noch +12V und Masse abgegriffen werden. Also wieder das Automatikgetriebesolenoid Nr.2
Aber auch am ETCS (Slipcontrol/Traktionskontrolle) Steuergerät müssen Kabel unterbrochen werden.
Gleiches Spiel bei der ETCS ab 1996 (mit Snow-Mode)
Der Vollständigkeit halber hier noch das TRC/TRAC-Steuergerät der Export-Spec, welches in der HKS-Anleitung nicht erwähnt wird.
Was sagt uns das?
- Der Speedcut bei 180kmh wird nur vom SPD-Signal ausgelöst. Das ist der Grund, wieso ale möglichen SLDs den Speedcut bei der Automatik unterbrechen
ABER
- Das manipulierte Speed-Signal hat offensichtlich Auswirkungen auf die Getriebesteuerung und die Traktionskontrolle. Eine Differenz zwischen Raddrehzahlsensoren und SPD-Signal könnte zu Fehlern in der Traktionskontrolle führen, wie in Post 1 beschrieben.
- Aber auch die Automatiksteuerung bezieht sich auf das SPD-Signal, wie im unten stehenden Diagramm abgebildet (aus dem New Car Features Buch) Mit dem Soneloid 2 wird der Gangwechsel in Gang 3 gesteuert. Ich weiß nicht genau, wie die Schalt Pattern aussieht, aber ich möchte mir nicht ausmalen, was passiert, wenn bei 250kmh die Automatik der Meinung ist in den Kick-Down gehen zu müssen, weil das SPD-Signal nur 165kmh ausgibt.
Ergo: Ja, es unterbrechen diverse SLDs bei der Automatik-Supra den SpeedCut, aber nur der T6 (oder vergleichbar) kann sicherstellen, dass alle Fuktionen auch bei über 180kmh funktionieren!!!!
Gemäß dieser Tabelle wird der richtige Schaltplan gewählt: Also A-ECU für Supra TT, B-ECU für Supra NA, A-ETCS für Supra Pre-Facelift, B-ETCS für Supra Facelift (mit Snow-Mode)
Das ist die Verkabelung am Motorsteuergerät für die Turbo. Hier sieht man schon, dass nicht nur das SPD-Signal unterbrochen wird, sondern auch das Signal zum Automatikgetriebesolenoid Nr.2.
Gleiches Bild bei der Non-Turbo, nur dass hier noch +12V und Masse abgegriffen werden. Also wieder das Automatikgetriebesolenoid Nr.2
Aber auch am ETCS (Slipcontrol/Traktionskontrolle) Steuergerät müssen Kabel unterbrochen werden.
Gleiches Spiel bei der ETCS ab 1996 (mit Snow-Mode)
Der Vollständigkeit halber hier noch das TRC/TRAC-Steuergerät der Export-Spec, welches in der HKS-Anleitung nicht erwähnt wird.
Was sagt uns das?
- Der Speedcut bei 180kmh wird nur vom SPD-Signal ausgelöst. Das ist der Grund, wieso ale möglichen SLDs den Speedcut bei der Automatik unterbrechen
ABER
- Das manipulierte Speed-Signal hat offensichtlich Auswirkungen auf die Getriebesteuerung und die Traktionskontrolle. Eine Differenz zwischen Raddrehzahlsensoren und SPD-Signal könnte zu Fehlern in der Traktionskontrolle führen, wie in Post 1 beschrieben.
- Aber auch die Automatiksteuerung bezieht sich auf das SPD-Signal, wie im unten stehenden Diagramm abgebildet (aus dem New Car Features Buch) Mit dem Soneloid 2 wird der Gangwechsel in Gang 3 gesteuert. Ich weiß nicht genau, wie die Schalt Pattern aussieht, aber ich möchte mir nicht ausmalen, was passiert, wenn bei 250kmh die Automatik der Meinung ist in den Kick-Down gehen zu müssen, weil das SPD-Signal nur 165kmh ausgibt.
Ergo: Ja, es unterbrechen diverse SLDs bei der Automatik-Supra den SpeedCut, aber nur der T6 (oder vergleichbar) kann sicherstellen, dass alle Fuktionen auch bei über 180kmh funktionieren!!!!
Bj. 12/2000 Supra RZ - Japanische Ausführung
1B9 - Quicksilver FX - Silver Metallic Graphite
Public Relations e.V.
1B9 - Quicksilver FX - Silver Metallic Graphite
Public Relations e.V.
- Japanfanatic
- JZA80 allwissendes Orakel

- Beiträge: 2694
- Registriert: 12.10.2016, 18:49
- Hat sich bedankt: 17 Mal
- Danksagung erhalten: 59 Mal
- Kontaktdaten:
HKS SLD T6 und Automatik-Supras (NA und TT)
Hier noch die Schaltzeitpunkte bei TT
EU-Spec US-Spec J-Spec
EU-Spec US-Spec J-Spec
Bj. 12/2000 Supra RZ - Japanische Ausführung
1B9 - Quicksilver FX - Silver Metallic Graphite
Public Relations e.V.
1B9 - Quicksilver FX - Silver Metallic Graphite
Public Relations e.V.
- Japanfanatic
- JZA80 allwissendes Orakel

- Beiträge: 2694
- Registriert: 12.10.2016, 18:49
- Hat sich bedankt: 17 Mal
- Danksagung erhalten: 59 Mal
- Kontaktdaten:
HKS SLD T6 und Automatik-Supras (NA und TT)
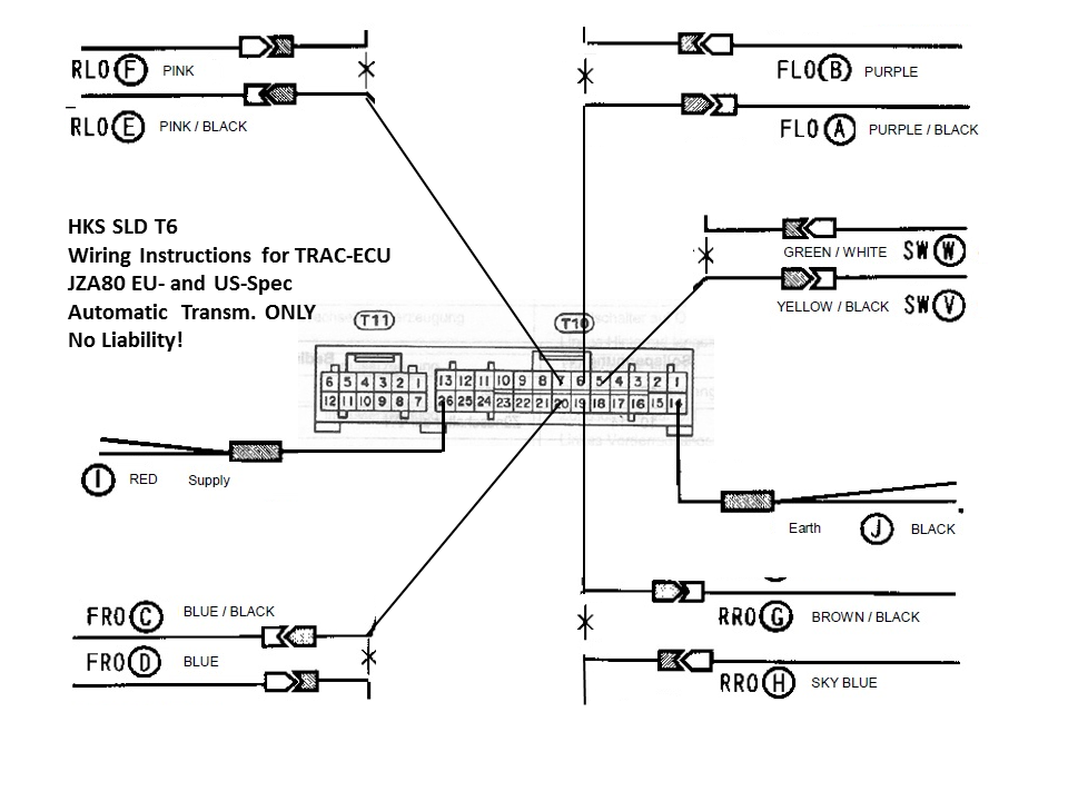
Und ich habe mir die Mühe gemacht einen richtigen Schaltplan für die Verkabelung der TRAC-ECU bei der EU/US-Spec mit dem HKS SLD T6 (oder äquivalent) zu erstellen.
Was ich nicht weiß: Ob man die EU/US-Spec MT einfach mit dem SLD Type 1 aufheben kann, oder nicht auch den T6 braucht. Das TRC-System ist schließlich ein anderes als bei der J-Spec (Stichwort TRAC-Pumpe)
Was ich nicht weiß: Ob man die EU/US-Spec MT einfach mit dem SLD Type 1 aufheben kann, oder nicht auch den T6 braucht. Das TRC-System ist schließlich ein anderes als bei der J-Spec (Stichwort TRAC-Pumpe)
Bj. 12/2000 Supra RZ - Japanische Ausführung
1B9 - Quicksilver FX - Silver Metallic Graphite
Public Relations e.V.
1B9 - Quicksilver FX - Silver Metallic Graphite
Public Relations e.V.
-
Planlos1988
- JZA80 Forenbewohner

- Beiträge: 421
- Registriert: 15.02.2017, 23:28
- Hat sich bedankt: 0
- Danksagung erhalten: 0
Re: HKS SLD T6 und Automatik-Supras (NA und TT)
Hast du super gemacht 
Hätte ich ein Jahr früher sehr gut gebrauchen können. Da hab ich meinen T6 in meine UK Spec eingebaut und von der beiliegenden Anleitung her passte wirklich rein garnichts zu dem was ich bei meiner TRC Ecu vorfand.. Daher hab ich stunden erstmal damit vdrbracht Kabelpläne zu studieren (ich hasse es xD) und mir aufgeschrieben welche Kabelfarben meiner TRC Ecu so belegt sind das sie zu den 16 Kabeln des SLD T6 passen..
Letztlich habe ich mir viel Zeit bei gelassen und alles mehrfach kontrolliert mit nem Tablet im Fußraum liegend
Hat sich aber gelohnt denn am Ende hatt es auch ohne Probleme alles auf anhieb funktioniert
Möchte das aber nicht wieder tun xD
Einzigstes, seit geraumer Zeit plagt mich das Problem, wenn die Supra 1 oder 2 Tage stand (oder länger) und ich sie das erste mal einschalte das ich TRC direkt ausschalten muss bevor der Wagen sich bewegt denn sonst denkt die TRC das ein Reifen durchdreht und drosselt die Leistung extrem herunter, was sich dann ziemlich scheisse fahren lässt zumal dann auch nur Manuelles schalten geht und sie nicht Automatisch hochschalten will..
Seltsame dabei ist, wenn ich so 3-5min gefahren bin und dann TRC wieder ein schalte besteht das Problem nicht mehr oder auch wenn ich es vergesse und dann das Problem habe ist es nach 3 bis 5min im stand stehen oder paar mal ausschalten und motor wieder starten weg und bleibt dann auch weg.. auch nach dem abstellen bleibt es weg beim nächsten starten außer eben sie bleibt über nacht halt aus oder ein paar Tage..
Wenn das Problem auf tritt blinkt auch die TRC Lampe bzw bleibt permanent an mal so mal so..
Ich tippe mal darauf das irgendein kondensator oder so im SLD T6 (irgendwas muss ja dadrinne sein und in der regel sinds halt potis, transistoren und kondensatoren auf soner platine xD) oder eben ein Kondensator auf der TRC Ecu nicht mehr gut ist und desshalb etwas länger braucht bis er richtig funktioniert.. wäre jedenfalls meine logische erklärung wieso es kurze Zeit später einwandfrei läuft und auch keinen Fehlercode hinterlässt..
Aber naja, denke mal damit werd ich mich beschäftigen wenn ich auf r154 umbaue im nächsten Jahr..
Vermutlich besorg ich mir dann eh eine MT EU Spec ecu und brauch dann meine ich eh nen anderen neuen SLD den für EU MT gibts glaub auch noch neu oder?
Im gleichen Atemzug schmeiss ich die alte TRC Ecu dann auch gleich mit raus und besorg mir ne andere gebrauchte..
Wenn sich das Problem dann erledigt hat weis ich ja das es eines von beidem war (wobei ich auf den SLD T6 tippe)
Hätte ich ein Jahr früher sehr gut gebrauchen können. Da hab ich meinen T6 in meine UK Spec eingebaut und von der beiliegenden Anleitung her passte wirklich rein garnichts zu dem was ich bei meiner TRC Ecu vorfand.. Daher hab ich stunden erstmal damit vdrbracht Kabelpläne zu studieren (ich hasse es xD) und mir aufgeschrieben welche Kabelfarben meiner TRC Ecu so belegt sind das sie zu den 16 Kabeln des SLD T6 passen..
Letztlich habe ich mir viel Zeit bei gelassen und alles mehrfach kontrolliert mit nem Tablet im Fußraum liegend
Hat sich aber gelohnt denn am Ende hatt es auch ohne Probleme alles auf anhieb funktioniert
Möchte das aber nicht wieder tun xD
Einzigstes, seit geraumer Zeit plagt mich das Problem, wenn die Supra 1 oder 2 Tage stand (oder länger) und ich sie das erste mal einschalte das ich TRC direkt ausschalten muss bevor der Wagen sich bewegt denn sonst denkt die TRC das ein Reifen durchdreht und drosselt die Leistung extrem herunter, was sich dann ziemlich scheisse fahren lässt zumal dann auch nur Manuelles schalten geht und sie nicht Automatisch hochschalten will..
Seltsame dabei ist, wenn ich so 3-5min gefahren bin und dann TRC wieder ein schalte besteht das Problem nicht mehr oder auch wenn ich es vergesse und dann das Problem habe ist es nach 3 bis 5min im stand stehen oder paar mal ausschalten und motor wieder starten weg und bleibt dann auch weg.. auch nach dem abstellen bleibt es weg beim nächsten starten außer eben sie bleibt über nacht halt aus oder ein paar Tage..
Wenn das Problem auf tritt blinkt auch die TRC Lampe bzw bleibt permanent an mal so mal so..
Ich tippe mal darauf das irgendein kondensator oder so im SLD T6 (irgendwas muss ja dadrinne sein und in der regel sinds halt potis, transistoren und kondensatoren auf soner platine xD) oder eben ein Kondensator auf der TRC Ecu nicht mehr gut ist und desshalb etwas länger braucht bis er richtig funktioniert.. wäre jedenfalls meine logische erklärung wieso es kurze Zeit später einwandfrei läuft und auch keinen Fehlercode hinterlässt..
Aber naja, denke mal damit werd ich mich beschäftigen wenn ich auf r154 umbaue im nächsten Jahr..
Vermutlich besorg ich mir dann eh eine MT EU Spec ecu und brauch dann meine ich eh nen anderen neuen SLD den für EU MT gibts glaub auch noch neu oder?
Im gleichen Atemzug schmeiss ich die alte TRC Ecu dann auch gleich mit raus und besorg mir ne andere gebrauchte..
Wenn sich das Problem dann erledigt hat weis ich ja das es eines von beidem war (wobei ich auf den SLD T6 tippe)
- Japanfanatic
- JZA80 allwissendes Orakel

- Beiträge: 2694
- Registriert: 12.10.2016, 18:49
- Hat sich bedankt: 17 Mal
- Danksagung erhalten: 59 Mal
- Kontaktdaten:
HKS SLD T6 und Automatik-Supras (NA und TT)
Vielen Dank für die Blumen!
Hast du schon die Löt/Crimpstellen überprüft? Erfahrungsgemäß liegt der Fehler immer eher dort, als im Zusatzsteuergerät selbst!
Zur EU MT: Wie geschrieben, rein theoretisch sollte ein SLD Type 1 ausreichend sein. Ich weiß aber nicht, ob die TRAC-Steuerung (im Gegensatz zur ETCS) hier Probleme machen könnte wegen der TRAC-Pumpe.
Hast du schon die Löt/Crimpstellen überprüft? Erfahrungsgemäß liegt der Fehler immer eher dort, als im Zusatzsteuergerät selbst!
Zur EU MT: Wie geschrieben, rein theoretisch sollte ein SLD Type 1 ausreichend sein. Ich weiß aber nicht, ob die TRAC-Steuerung (im Gegensatz zur ETCS) hier Probleme machen könnte wegen der TRAC-Pumpe.
Bj. 12/2000 Supra RZ - Japanische Ausführung
1B9 - Quicksilver FX - Silver Metallic Graphite
Public Relations e.V.
1B9 - Quicksilver FX - Silver Metallic Graphite
Public Relations e.V.
-
Planlos1988
- JZA80 Forenbewohner

- Beiträge: 421
- Registriert: 15.02.2017, 23:28
- Hat sich bedankt: 0
- Danksagung erhalten: 0
Re: HKS SLD T6 und Automatik-Supras (NA und TT)
Ja leider alles schon nachkontrolliert xS.. Ist alles verlötet und die lötstellen sind auch sauber zusammen und alles halt mit schrumpfschlauch überzogen..Japanfanatic hat geschrieben:Vielen Dank für die Blumen!
Hast du schon die Löt/Crimpstellen überprüft? Erfahrungsgemäß liegt der Fehler immer eher dort, als im Zusatzsteuergerät selbst!
Zur EU MT: Wie geschrieben, rein theoretisch sollte ein SLD Type 1 ausreichend sein. Ich weiß aber nicht, ob die TRAC-Steuerung (im Gegensatz zur ETCS) hier Probleme machen könnte wegen der TRAC-Pumpe.
Ging ja auch das erste 3/4Jahr problemlos.. kam halt erst vor ca. 2 Monaten auf..
-
Planlos1988
- JZA80 Forenbewohner

- Beiträge: 421
- Registriert: 15.02.2017, 23:28
- Hat sich bedankt: 0
- Danksagung erhalten: 0
Re: HKS SLD T6 und Automatik-Supras (NA und TT)
Achso und bittesehrPlanlos1988 hat geschrieben:Ja leider alles schon nachkontrolliert xS.. Ist alles verlötet und die lötstellen sind auch sauber zusammen und alles halt mit schrumpfschlauch überzogen..Japanfanatic hat geschrieben:Vielen Dank für die Blumen!
Hast du schon die Löt/Crimpstellen überprüft? Erfahrungsgemäß liegt der Fehler immer eher dort, als im Zusatzsteuergerät selbst!
Zur EU MT: Wie geschrieben, rein theoretisch sollte ein SLD Type 1 ausreichend sein. Ich weiß aber nicht, ob die TRAC-Steuerung (im Gegensatz zur ETCS) hier Probleme machen könnte wegen der TRAC-Pumpe.
Ging ja auch das erste 3/4Jahr problemlos.. kam halt erst vor ca. 2 Monaten auf..
Was ich noch sagen wollte. Man muss mit dem SLD aber auch höllisch aufpassen weil er ja bei ca. 160kmh rum die TRC ausschaltet und dort ist man, wenn man richtig gas gibt, noch im 3. Gang unterwegs, was bedeutet das man, wenn man nicht aufpasst, dem Getriebe beim Gangwechsel in den 4. Gang ein aufn Deckel gibt da die 2. Drosselklappe ja in dem Moment nicht mehr aktiv ist. Selbiges Gilt wenn man zwar schon im 4. Gang ist aber unter ca. 200/210kmh rum das Gaspedal nochmal weit bzw ganz runter drückt, dann schaltet es nochmal in den 3. Gang runter und dann erst ab 200/210kmh rum im den 4.
Ich habs mittlerweile ganz gut im Gefühl wann das AT jetzt wohl in den 4. Schaltet und geh dann von mir aus einen kurzen Moment vom Gas, merke wie es in den 4. Geschaltet hat und gebe dann wieder vollgas. Muss man sich aber erst dran gewöhnen
Ansonsten gibts halt jedesmal wenn es zwischen dem 3 und 4 gang schaltet über 160kmh dem AT ein aufn Deckel..
Denke das es zwischen den beiden Gängen wohl nicht soooo Tragisch ist wie zwischen 1/2/3 gang allerdings gut ist es sicher trotzdem nicht, vor allem wenn man ggf deutlich mehr Leistung wie Serie fährt oder gar nen kleinen Single..
- Japanfanatic
- JZA80 allwissendes Orakel

- Beiträge: 2694
- Registriert: 12.10.2016, 18:49
- Hat sich bedankt: 17 Mal
- Danksagung erhalten: 59 Mal
- Kontaktdaten:
Re: HKS SLD T6 und Automatik-Supras (NA und TT)
Das ist sehr interessant! Kannst du noch ein wenig mehr zu den Erfahrungen mit dem T6 berichten? Die TRC OFF Leuchte geht wirklich an, richtig?
Bj. 12/2000 Supra RZ - Japanische Ausführung
1B9 - Quicksilver FX - Silver Metallic Graphite
Public Relations e.V.
1B9 - Quicksilver FX - Silver Metallic Graphite
Public Relations e.V.