Seite 4 von 7
VG aus NRW
Verfasst: 10.07.2018, 09:05
von JZAeighty
DanM hat geschrieben: ↑09.07.2018, 11:21Hallo,
Hast du mal die entsprechenden Kabel auf Durchfluss geprüft, vom Stecker zum Steuergerät, beziehungsweise danach vom Steuergerät zum jeweiligen Spiegel? Nicht dass sich irgendwo ein Kabelbruch manifestiert hat. Manchmal brechen die Leitungen im inneren und der Schaden ist von aussen nicht zu erkennen weil die Isolation selber unversehrt ist. Dann sucht man sich nen Wolf.
Mit freundlichen Grüssen,
Daniel
Hi Daniel, das habe ich noch nicht aber könnte ich mal mach. Danke für den Tipp.
Wo sitzt das Steuergerät dazu? Unmittelbar dahinter?
VG aus NRW
Verfasst: 10.07.2018, 10:32
von DanM
Hallo,
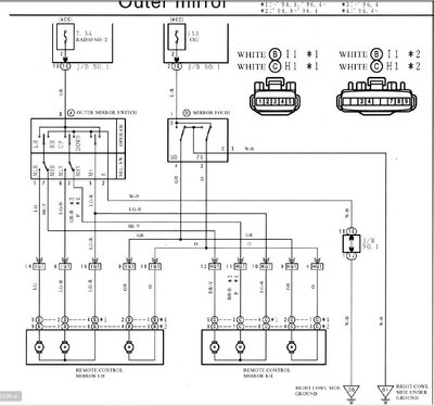
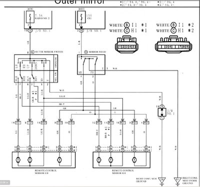
Hier die Locations in Rot angezeichnet von den "Steuergeräten" für die Spiegel (Illustration von einer US-Spec). JSpec wäre dann halt nur spiegelverkehrt. Wenn ich das richtig interpretiere, sitzen die Teile je Links und Rechts im Fussraum an der Aussenwand (Kick Panel).

- Locations
Leider hab ich kein Bild wie die genau aussehen, dafür aber das Diagram von der JSpec. Ich hoffe das hilft dir weiter.

- Diagram
Da du ja zumindest einen Spiegel bereits ausserhalb des Autos erfolgreich testen konntest, vermute ich entweder einen Kabelbruch oder einen Defekt des Schalters zum anklappen. Lässt sich aber zum Glück alles durchmessen ob das funktioniert wie es soll.
Mit freundlichen Grüssen,
Daniel
Edit: Ich sehe gerade am Diagram, und das mag vielleicht ganz doof klingen, aber ist die 7,5Amp Sicherung im Sicherungskasten im Fussraum heile? Das ist die Sicherung welche für den Zigarettenanzünder ist, laut Diagram. Weil ohne Sicherung, kein anklappen der Spiegel

Re: VG aus NRW
Verfasst: 11.07.2018, 23:23
von JZAeighty
DanM hat geschrieben:Hallo,
Hier die Locations in Rot angezeichnet von den "Steuergeräten" für die Spiegel (Illustration von einer US-Spec). JSpec wäre dann halt nur spiegelverkehrt. Wenn ich das richtig interpretiere, sitzen die Teile je Links und Rechts im Fussraum an der Aussenwand (Kick Panel).
power_mirror_remote_control.jpg
Leider hab ich kein Bild wie die genau aussehen, dafür aber das Diagram von der JSpec. Ich hoffe das hilft dir weiter.
power_mirror_remote_control_diagram.jpg
Da du ja zumindest einen Spiegel bereits ausserhalb des Autos erfolgreich testen konntest, vermute ich entweder einen Kabelbruch oder einen Defekt des Schalters zum anklappen. Lässt sich aber zum Glück alles durchmessen ob das funktioniert wie es soll.
Mit freundlichen Grüssen,
Daniel
Edit: Ich sehe gerade am Diagram, und das mag vielleicht ganz doof klingen, aber ist die 7,5Amp Sicherung im Sicherungskasten im Fussraum heile? Das ist die Sicherung welche für den Zigarettenanzünder ist, laut Diagram. Weil ohne Sicherung, kein anklappen der Spiegel

Hey Daniel, danke für die ganzen Infos. Das mit der Sicherung ist ne gut Idee

schau ich mal am WE nach. Aber es dürften doch dann keine 12V anliegen?! Ich besorge mal auch Kontaktspray und sprüh was drauf. Die Stecker sind etwas grünlich habe ich jetzt bemerkt. Werde mal deine Tipps durchgehen. Besten Dank für deine Unterstützung
Re: VG aus NRW
Verfasst: 16.07.2018, 13:01
von SupraAddict
Hast bilder von dem Innenleben der Spiegel?
Re: VG aus NRW
Verfasst: 16.07.2018, 20:21
von JZAeighty
Re: VG aus NRW
Verfasst: 20.07.2018, 20:16
von JZAeighty
So ausgetauscht... bisschen Kontaktspray kann doch Wunder vollbringen
VG aus NRW
Verfasst: 25.07.2018, 07:58
von Japanfanatic
Besser!

VG aus NRW
Verfasst: 26.07.2018, 13:36
von JZAeighty
finde ich auch xD
_____________________________________________________________
nächstes Jahr sollen andere Schlappen drunter
Ich hatte an ESR Wheels SR06 gedacht in der Größe
VA 19" 9,5J ET22
HA 19" 10,5J ET22
Allerdings weiss ich nicht...
a) wie es mit VIA,JWL und Traglast Stempeln aussieht, also ob die auf der Innenseite vorhanden sind
b) ob ich die ohne bördeln und ziehen fahren kann.
Hab heute zufällig gesehen, dass scheinbar jemand die bereits fährt. Vielleicht ist ja der Besitzer dieser Schönheit auch hier unterwegs.
VG aus NRW
Verfasst: 26.07.2018, 13:48
von Japanfanatic
SolidSnake hat geschrieben: ↑26.07.2018, 13:36
a) wie es mit VIA,JWL und Traglast Stempeln aussieht, also ob die auf der Innenseite vorhanden sind
Dann nimm doch einfach gleich das Original, da sind die dann nämlich drauf

VG aus NRW
Verfasst: 26.07.2018, 13:52
von JZAeighty
Japanfanatic hat geschrieben: ↑26.07.2018, 13:48
SolidSnake hat geschrieben: ↑26.07.2018, 13:36a) wie es mit VIA,JWL und Traglast Stempeln aussieht, also ob die auf der Innenseite vorhanden sind
Dann nimm doch einfach gleich das Original, da sind die dann nämlich drauf
würde ich auch sofort nehmen, wenn der preisliche Unterschied nicht so groß wäre