DanM hat geschrieben: ↑09.07.2018, 11:21Hallo,
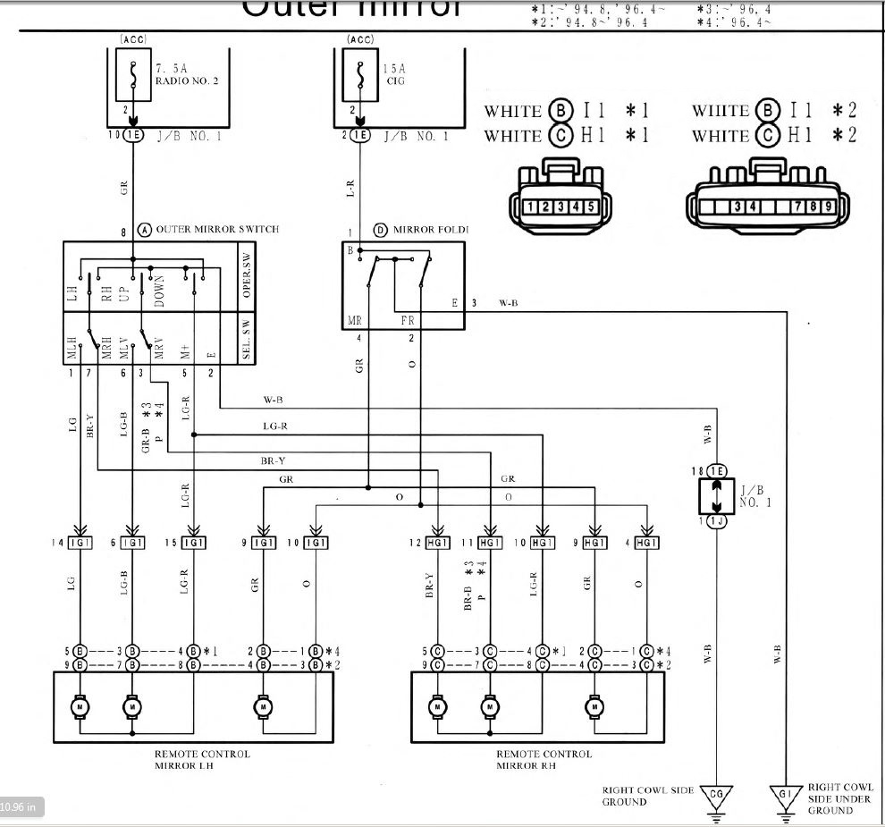
Hast du mal die entsprechenden Kabel auf Durchfluss geprüft, vom Stecker zum Steuergerät, beziehungsweise danach vom Steuergerät zum jeweiligen Spiegel? Nicht dass sich irgendwo ein Kabelbruch manifestiert hat. Manchmal brechen die Leitungen im inneren und der Schaden ist von aussen nicht zu erkennen weil die Isolation selber unversehrt ist. Dann sucht man sich nen Wolf.
Mit freundlichen Grüssen,
Daniel
Hi Daniel, das habe ich noch nicht aber könnte ich mal mach. Danke für den Tipp.
Wo sitzt das Steuergerät dazu? Unmittelbar dahinter?



schau ich mal am WE nach. Aber es dürften doch dann keine 12V anliegen?! Ich besorge mal auch Kontaktspray und sprüh was drauf. Die Stecker sind etwas grünlich habe ich jetzt bemerkt. Werde mal deine Tipps durchgehen. Besten Dank für deine Unterstützung

